Описание сваи С 80-30-13
Свая (С 80-30-13) применяется для устройства фундаментов зданий и сооружений различного назначения, таких как жилые дома, промышленные объекты, мосты и другие инженерные конструкции. Изделие изготавливается компанией ГК "БЛОК", которая специализируется на производстве и поставке железобетонных изделий в Москве, с использованием высокопрочного бетона класса B20 и армирования стальной арматурой, что обеспечивает её прочность, устойчивость к нагрузкам и долговечность.
Нормативный документ: ГОСТ 19804-91.
Применение сваи С 80-30-13
Свая С 80-30-13 используется для создания надёжных фундаментов зданий и сооружений, воспринимающих значительные нагрузки и передающих их на грунт. Она служит важной частью системы, обеспечивающей безопасность, функциональность и долговечность объектов. Для монтажа могут применяться дополнительные элементы: закладные детали, анкерные болты и другие комплектующие.
Типы свай
Железобетонные сваи подразделяются на несколько типов в зависимости от назначения и конструкции:
- С: свая забивная;
- СУ: свая усиленная;
- СД: свая доборная;
- СК: свая комбинированная.
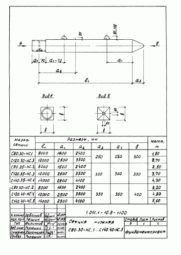
Размеры зависят от типа: длина 8000–8050 мм, ширина 300–310 мм, высота 300–310 мм.
Основные параметры, размеры и характеристики
- Длина L, мм: 8000
- Ширина b, мм: 300
- Высота h, мм: 300
- Масса, тонн: 1.83
- Объем бетона, м³: 0.73
- Класс бетона: B20 (марка М250)
- Геометрический объем, м³: 0.743
- Сталь, кг: 92.5
Дополнительные характеристики
- Марка по морозостойкости: F150–F200;
- Марка по водонепроницаемости: W4–W6;
- Технология изготовления: формование с использованием высокопрочного бетона.
Нормы загрузки
- Норма загрузки в автотранспорт 20 т, шт: 10 (при наличии специального оборудования).
Расшифровка маркировки С 80-30-13
Маркировка "С 80-30-13" содержит следующую информацию:
- С – свая забивная;
- 80 – условная длина изделия в дециметрах (8000 мм);
- 30 – условное поперечное сечение изделия (300×300 мм);
- 13 – вариант исполнения или расчетная нагрузка.
Условия транспортировки и хранения
Сваи С 80-30-13 перевозятся автомобильным или железнодорожным транспортом с использованием специальных захватных устройств (строп). Хранение осуществляется на ровных площадках с твердым покрытием. Сваи устанавливаются горизонтально в штабель высотой не более 2,5 м. Для предотвращения повреждений между изделиями устанавливаются деревянные прокладки.
Контроль качества сваи С 80-30-13
Каждая свая С 80-30-13 проходит многоступенчатый контроль качества. Проверяются:
- прочность бетона (не ниже класса B20);
- соответствие геометрических размеров проектным данным;
- морозостойкость и водонепроницаемость бетона;
- точность расположения закладных элементов;
- отсутствие трещин, сколов и других дефектов.
Заключение
Свая С 80-30-13 – это надежный и долговечный элемент для устройства фундаментов зданий и сооружений. Благодаря использованию качественных материалов и современных технологий производства, она обеспечивает прочность, устойчивость и долговечность конструкций. Для заказа качественных железобетонных изделий обращайтесь к профессионалам своего дела – компании ГК "БЛОК".
Смотрите также:
| Варианты написания товара |
|---|
| Свая С 80-30-13 |
| С 80-30-13 свая |
| Свая С 80-30-13 ГОСТ 19804-91 |
| С 80-30-13 ГОСТ 19804-91 |
| С 80-30-13 |
| Свая С 80-30-13 ГОСТ |
| С 80-30-13 ГОСТ |
|
ГОСТ/Серия
|
ГОСТ 19804-91 |
|
Длина, мм
|
8000 |
|
Ширина, мм
|
300 |
|
Высота, мм
|
300 |
|
Масса, тонн
|
1.83 |
|
Объем бетона, куб.м
|
0.73 |
|
Класс бетона
|
В20 |
|
Геометрический объем, м.куб
|
0.743 |
|
Сталь, кг
|
92.5 |
Как купить
Процесс покупки железобетонных изделий у нас прост и удобен. Следуйте этим шагам:
- Выбор продукции: Ознакомьтесь с нашим ассортиментом и выберите необходимые железобетонные изделия.
- Консультация: Свяжитесь с нашим менеджером для получения консультации по выбору продукции и уточнения всех деталей. Вы можете позвонить нам или написать на электронную почту.
- Оформление заказа: После согласования всех деталей оформите заказ. Менеджер поможет вам заполнить все необходимые документы.
- Согласование доставки: После оформления заказа наш менеджер свяжется с вами для согласования условий и сроков доставки.
- Оплата: Выберите удобный способ оплаты. Мы предлагаем несколько вариантов, включая безналичный расчет.
- Получение товара: После выполнения всех условий заказа, вы получите железобетонные изделия в назначенное время и по согласованному адресу. При получении подпишите акт приема-передачи.
Если у вас возникли вопросы на любом этапе покупки, не стесняйтесь обращаться к нашим менеджерам!
Оплата
Мы принимаем только безналичные платежи и работаем исключительно с юридическими лицами. Пожалуйста, ознакомьтесь с условиями оплаты ниже:
- Способ оплаты: Все расчеты производятся безналичным путем. Мы не принимаем наличные.
- Счет на оплату: После оформления заказа вам будет выставлен счет, который необходимо оплатить в срок, указанный в документе.
- Реквизиты: Все необходимые банковские реквизиты будут предоставлены в счете. Убедитесь, что все данные указаны правильно для успешного перевода.
- Подтверждение оплаты: После осуществления платежа отправьте нам подтверждение, чтобы мы могли оперативно обработать ваш заказ.
- Получение документов: После полной оплаты вы получите все необходимые документы, включая акт выполненных работ, товарные накладные и сертификаты на продукцию.
Мы работаем с НДС и предоставляем все необходимые сертификаты и документы. Все гарантии будут прописаны в договоре, что обеспечивает прозрачность и надежность сотрудничества.
Если у вас есть вопросы по поводу процесса оплаты, не стесняйтесь обращаться к нашим менеджерам за помощью!
Наша оперативность — ваше удобство. Мы гарантируем своевременную доставку железобетонных изделий, что является ключевым фактором для успешной реализации ваших строительных проектов. Доставка осуществляется прямо к вашему объекту с учетом всех стандартов качества.
Основные условия доставки:
• Выбор тарифа: Вы можете выбрать способ расчета стоимости доставки — почасовой или по зонам.
• Согласование: Менеджер свяжется с вами для уточнения деталей после оформления заказа.
• Время на погрузку: Комплектация товара занимает от 1 до 3 дней в зависимости от объема.
• Акт приема-передачи: Продукция передается по акту приема-передачи.
Тарифы на доставку:
Цены варьируются в зависимости от расстояния и региона. Все тарифы включают НДС. При неблагоприятных погодных условиях возможны небольшие изменения в стоимости.
География доставки:
Мы работаем по всей территории РФ и имеем 12 офисов и производств, чтобы обеспечить удобные условия для доставки.
Для точного расчета стоимости доставки обращайтесь к нашим менеджерам!

